Амиком
600+ брендов 70 000 позиций
Каталог
По всему сайту
По каталогу
Каталог
Акции
Как купить
Компания
О компании
Новости
Стать партнёром
Вакансии
Техподдержка
Контакты
Подобрать комплект
Отправить ТЗ
+7 495 120 06 86
Заказать звонок
Задать вопрос
Войти
  • Корзина0
  • Избранные товары0
  • Сравнение товаров0
sale@ami-com.ru
Москва, площадь Журавлева, д. 2, стр.2
  • Вконтакте
  • Telegram
  • Rutube
  • Яндекс.Дзен
Амиком
600+ брендов 70 000 позиций
+7 495 120 06 86
Заказать звонок
Пн — Пт 9:30 — 18:00 (мск)
Войти
Физ. лицо Юр. лицо
Сравнение0
Избранные товары 0
Корзина 0
Каталог
Видеонаблюдение
СКУД
Шкафы, Стойки и Компонтенты СКС
Монтажные Материалы
Домофоны и Переговорные Устройства
Источники Питания
Кабельная Продукция
Сетевое Оборудование
ОПС
Взрывозащищенное Оборудование
Системы Оповещения и Музыкальной Трансляции
Умный Дом
Средства Пожаротушения
    • Камеры видеонаблюдения
      • IP камеры видеонаблюдения
      • Камеры видеонаблюдения HD
      • Тепловизионные камеры
      • Аналоговые камеры видеонаблюдения
    • Видеорегистраторы для видеонаблюдения
      • HD Видеорегистраторы
      • IP Видеорегистраторы
      • Видеорегистраторы для траспорта
    • Кронштейны и Крепления
    • Устройства Обработки и Передачи
      • Ethernet, PoE
      • Видео Сигнал
      • HDMI Сигнал
      • RS232, RS485 Сигналы
      • Устройства Грозозащиты
      • USB, Клавиатура, Мышь, ИК управление
      • Аудио Сигнал
    • Программное обеспечение для видеонаблюдения
    • Кожухи
      • Дополнительное Оборудование для Кожухов
    • Дополнительное Оборудование Видеонаблюдения
    • Объективы
    • Мониторы для Видеонаблюдения
    • Микрофоны
    • Жесткие Диски и Карты памяти
    • Клавиатуры и Пульты
    • IP Видеосерверы
    • Видеостены
    • Тестовое Оборудование
      • Тестеры для CCTV
      • Тестеры IP-видеосистем
      • Тестеры для CCTV с Сетевыми Функциями
    • Прожекторы ИК
    • Комплекты Видеонаблюдения
    • Муляжи Видеокамер
    • Видеомодули
    • Блоки питания для систем видеонаблюдения
    • Системы видеоаналитики
    • Дополнительное Оборудование СКУД
    • Замки и Защелки
      • Электромагнитные Замки
      • Доп. оборудование к замкам и защелкам
      • Электромеханические Замки
      • Уголки к Электромагнитным Замкам
      • Защелки
      • Механические Замки
    • Турникеты
    • Считыватели
      • Сетевые Считыватели
      • Автономные Считыватели
    • Биометрические СКУД
    • Идентификаторы
    • Автоматика для ворот
    • Программное Обеспечение для СКУД
    • Шлагбаумы
      • Дополнительное оборудование к Шлагбаумам
    • Контроллеры
      • Сетевые Контроллеры
      • Автономные Контроллеры
    • Калитки и ограждения
    • Кнопки Выхода
    • Доводчики
    • Металлодетекторы
      • Арочные Металлодетекторы
      • Ручные Металлодетекторы
    • Комплекты СКУД
    • Картоприемники
    • Кодовые Панели
    • Детекторы взрывчатых веществ
    • Антикражное Оборудование
    • Принтеры для Печати на Пластиковых Картах
    • Алкотестеры
    • Патч Корды
    • Шкафы Телекоммуникационные
      • Шкафы Телекоммуникационные Напольные
      • Шкафы Телекоммуникационные Настенные
    • Аксессуары для Шкафов
    • Аксессуары СКС
    • Термошкафы
    • Оптические Панели и Аксессуары
    • Патч Панели
    • Шкафы Электрические
    • Крепежные Изделия
    • Расходные Материалы
    • Кабель Канал и Аксессуары
    • Коммутационные Изделия
    • Коробки Монтажные
    • Труба Гофрированная
    • Металлорукав
    • Разъемы и переходники
    • Монтажные Инструменты
    • Лотки Кабельные и Аксессуары
    • Труба Гладкая
    • Пневмоинструменты
      • Компрессоры пневматические
      • Пневматические наборы
    • Ручные инструменты
      • Киянки
      • Молотки
    • Электроинструменты
      • Дрели
      • Заточные станки (точила)
      • Измерительные инструменты
      • Рубанки
      • УШМ (Болгарки)
    • Мониторы Домофонов
    • Вызывные Панели к Видеодомофонам
    • Дополнительное Оборудование Домофонов
    • IP-Домофония
    • Комплект Видеодомофонов
    • Переговорные Устройства
    • Аудиодомофоны и абоненские устройства
    • Домофоны Многоабонентные (Подъездные)
    • Интерфоны, Интрекомы
    • Модули Сопряжения
    • Вызывные Панели к Аудиодомофонам
    • Бесперебойные Источники Питания
    • Аккумуляторы и Термостаты
    • Стабилизированные Источники Питания
    • Дополнительное Оборудование к Источникам Питания
    • ИБП 220В (UPS)
    • Стабилизаторы Напряжения
    • Устройства Защиты от Скачков Напряжения
    • Преобразователи Напряжения
    • Солнечные батареи
    • ИБП RACK для 19" стойки
    • Батарейки
    • Кабель Волоконно-Оптический
    • Кабель Витая Пара
    • Кабель для Охранно-Пожарных Систем
    • Кабель Силовой
    • Кабель Комбинированный
    • Кабель Коаксиальный, Радиочастотный
    • Кабель Акустический
    • Кабель Для Интерфейса RS-485
    • Кабель Телефонный
    • Кабель для программирования радиостанций
    • Кабель Саморегулирующийся греющий
    • Сетевые Коммутаторы
    • Инжекторы и Сплиттеры PoE
    • Роутеры и Точки Доступа
    • Сетевые Хранилища
    • Дополнительное сетевое оборудование
    • Медиаконвертеры
    • Оповещатели
      • Оповещатели Звуковые
      • Оповещатели Комбинированные
      • Оповещатели Световые
      • Табло
    • Интегрированные Системы
      • Продукция Компании Орион (Болид)
      • Продукция Компании Рубеж
    • Приборы Приемно-Контрольные
      • Приборы Приемно-Контрольные Охранно-Пожарные
    • Извещатели Охранные для Помещений
      • Извещатели Комбинированные
      • Извещатели Вибрационные и Емкостные
      • Извещатели Тревожной Сигнализации
      • Извещатели Магнитоконтактные
      • Извещатели Оптико-Электронные Пассивные
      • Извещатели Звуковые (акустические)
      • Извещатели Оптико-Электронные Активные
      • Инфракрасные Выключатели Освещения
    • Дополнительное оборудование ОПС
    • Извещатели Охранные для Наружной Установки
      • Извещатели Охраны Периметра Объемные Радиоволновые
      • Извещатели Охраны Периметра ИК-пассивные
      • Извещатели Охраны Периметра Линейные ИК-активные
    • Извещатели Аварийные
      • Извещатели Утечки Газа
      • Извещатели утечки воды
    • Радиоканальные системы ОПС
    • GSM Сигнализация
    • Извещатели Пожарные
      • Извещатели Дымовые
      • Извещатели Линейные Тепловые (термокабель)
      • Извещатели Ручные
      • Извещатели Тепловые Максимальные
      • Извещатели Пламени
    • Программное Обеспечение для ОПС
    • Системы Передачи Извещений
    • Антенны
      • Антенные Кабели, Аксессуары
    • Системы Видеонаблюдения Взрывозащищенные
    • Аксессуары для Термошкафов Взрывозащищенных
    • УЗИПы Устройства защиты
    • Аксессуары для термокожухов и видеокамер
    • Термокожухи
    • Источники Питания Взрывозащищенные
    • Узлы коммутации всепогодные
    • Дополнительное оборудование взрывозащиты
    • Узлы систем видеонаблюдения и регистрации
    • Коробки монтажные взрывозащищенные
    • Барьеры Искрозащиты
    • Извещатели Аварийные Взрывозащищенные
    • Извещатели Охранные Взрывозащищенные
    • Извещатели Пожарные Взрывозащищенные
    • Изделия Коммутационные Взрывозащищенные
    • Модули Пожаротушения Взрывозащищенные
    • Оборудование СКУД Взрывозащищенное
    • Оповещатели Взрывозащищенные
    • Приборы Приемно-Контрольные Взрывозащищенные
    • Система ОПС Взрывоопасных Объектов "Ладога-Ex"
    • Коммутаторы Взрывозащищенные
    • Громкоговорители
    • Аксессуары Систем Оповещения и Музыкальной Трансляции
    • Усилители
    • Переферийные Устройства
    • Микрофоны для Оповещения и Музыкальной Трансляции
    • Моноблочные Системы Оповещения
    • Встраиваемые Модули
    • Мегафоны
    • Шкафы Пожарные
    • Вентили Пожарные
    • Знаки и Плакаты Пожарной Безопасности и Охраны Труда
    • Изделия Коммутационные для Средств Пожаротушения
    • Модули Пожаротушения Тонкораспыленной Водой
    • Модули Порошковые
    • Оборудование для Газового Пожаротушения
    • Огнетушители
    • Пожаротушение для 19" Шкафов
    • Сигнально-Осветительные Приборы
    • Средства защиты и спасения
    • Стволы Пожарные
    • Щиты Пожарные
Акции
Как купить
Компания
  • О компании
  • Новости
  • Стать партнёром
  • Вакансии
  • Техподдержка
  • Контакты
Подобрать комплект
Отправить ТЗ
+  ЕЩЕ
    Амиком
    Каталог
    Акции
    Как купить
    Компания
    • О компании
    • Новости
    • Стать партнёром
    • Вакансии
    • Техподдержка
    • Контакты
    Подобрать комплект
    Отправить ТЗ
    +  ЕЩЕ
      Физ. лицо Юр. лицо
      Сравнение0
      Избранные товары 0
      Корзина 0
      Амиком
      Сравнение0 Избранные товары 0 Корзина 0
      Телефоны
      +7 495 120 06 86
      • Каталог
      • Акции
      • Как купить
      • Компания
        • Назад
        • Компания
        • О компании
        • Новости
        • Стать партнёром
        • Вакансии
        • Техподдержка
        • Контакты
      • Подобрать комплект
      • Отправить ТЗ
      • Личный кабинет
      • Корзина0
      • Избранные товары0
      • Сравнение товаров0
      • +7 (495) 120-06-86
      Контактная информация
      Москва, площадь Журавлева, д. 2, стр.2
      sale@ami-com.ru
      • Вконтакте
      • Telegram
      • Rutube
      • Яндекс.Дзен

      Документы

      Главная
      —Документы
      Бренд документа
      Показать все
      Выбрано 0
      Выбрано 0
      Все
      Спецификации
      Паспорта
      Инструкции
      Сертификаты
      Прочее
      Руководство по эксплуатации FT 12-180 M
      Delta Загрузить
      Описание FT 12-180 M
      Delta Загрузить
      Паспорт DH-TPC-PT8621AP-B50Z50
      Dahua Загрузить
      (ENG) Паспорт безопасности материала HRL 12-55 Х
      Delta Загрузить
      Паспорт DH-TPC-PT8621AP-B35Z50
      Dahua Загрузить
      Руководство по эксплуатации HRL 12-55 Х
      Delta Загрузить
      Декларация о соответствии HRL 12-55 Х
      Delta Загрузить
      Описание HRL 12-55 Х
      Delta Загрузить
      Сертификат Жесткий диск 2.0Tb Seagate Barracuda ST2000DM005
      Seagate Загрузить
      Паспорт DH-TPC-PT8421BP-B38190
      Dahua Загрузить
      Руководство по эксплуатации BS-424-2
      VIZIT Загрузить
      Паспорт BS-424-8
      VIZIT Загрузить
      Руководство по эксплуатации BS-424-8
      VIZIT Загрузить
      Руководство по эксплуатации BS-424-4
      VIZIT Загрузить
      Паспорт BS-424-4
      VIZIT Загрузить
      Сертификат БВД-315FCP
      VIZIT Загрузить
      Паспорт БВД-315FCP
      VIZIT Загрузить
      Руководство по эксплуатации БВД-315FCP
      VIZIT Загрузить
      Сертификат БВД-306CP-2(4,6)
      VIZIT Загрузить
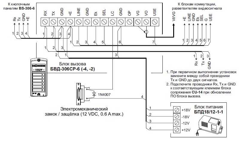
      Схема подключения БВД-306CP-2(4,6)
      VIZIT Загрузить
      Паспорт БВД-306CP-2(4,6)
      VIZIT Загрузить
      Руководство по эксплуатации БВД-306CP-2(4,6)
      VIZIT Загрузить
      Сертификат БВД-306FCP-2(4,6)
      VIZIT Загрузить
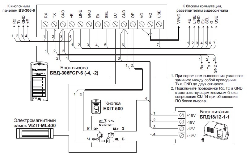
      Схема подключения БВД-306FCP-2(4,6)
      VIZIT Загрузить
      Паспорт БВД-306FCP-2(4,6)
      VIZIT Загрузить
      Руководство по эксплуатации БВД-306FCP-2(4,6)
      VIZIT Загрузить
      Паспорт C70CBE
      VIZIT Загрузить
      Инструкция C70CBE
      VIZIT Загрузить
      Схема подключения БУД-485Р
      VIZIT Загрузить
      Паспорт БУД-485Р
      VIZIT Загрузить
      Руководство по эксплуатации БУД-485Р
      VIZIT Загрузить
      Паспорт DH-TPC-PT8621BP-B38190
      Dahua Загрузить
      Паспорт БУД-485М
      VIZIT Загрузить
      Руководство по эксплуатации БУД-485М
      VIZIT Загрузить
      Сертификат БВД-SM110RCP
      VIZIT Загрузить
      Паспорт БВД-SM110RCP
      VIZIT Загрузить
      Руководство по эксплуатации БВД-SM110RCP
      VIZIT Загрузить
      Паспорт Лента монтажная перфорировання волна ЛМПВ 12х0,55 (25 м.)
      Промрукав Загрузить
      Паспорт Лента монтажная перфорировання волна ЛМПВ 17х0,55 (25 м.)
      Промрукав Загрузить
      Сертификат БВД-SM110FCP
      VIZIT Загрузить
      Схема подключения БВД-SM110FCP
      VIZIT Загрузить
      Паспорт БВД-SM110FCP
      VIZIT Загрузить
      Руководство по эксплуатации БВД-SM110FCP
      VIZIT Загрузить
      Сертификат БВД-SM101TCPL
      VIZIT Загрузить
      Схема подключения БВД-SM101TCPL
      VIZIT Загрузить
      Паспорт БВД-SM101TCPL
      VIZIT Загрузить
      Руководство по эксплуатации БВД-SM101TCPL
      VIZIT Загрузить
      Сертификат БВД-N201FCP
      VIZIT Загрузить
      Схема подключения БВД-N201FCP
      VIZIT Загрузить
      Паспорт БВД-N201FCP
      VIZIT Загрузить
      Руководство по эксплуатации БВД-N201FCP
      VIZIT Загрузить
      Сертификат БВД-532FСВ
      VIZIT Загрузить
      Паспорт БВД-532FСВ
      VIZIT Загрузить
      Руководство по эксплуатации БВД-532FСВ
      VIZIT Загрузить
      Сертификат GARD PT 3
      CAME Загрузить
      Инструкция GARD PT 3
      CAME Загрузить
      Сертификат GARD PT 4
      CAME Загрузить
      Инструкция GARD PT 4
      CAME Загрузить
      Сертификат GARD GT8
      CAME Загрузить
      Схема GARD GT8
      CAME Загрузить
      Руководство по монтажу GARD GT8
      CAME Загрузить
      Сертификат GARD 8 серия
      CAME Загрузить
      Паспорт GARD 8 серия
      CAME Загрузить
      Инструкция по монтажу GARD 8 серия
      CAME Загрузить
      Сертификат GARD PX 3
      CAME Загрузить
      Инструкция GARD PX 3
      CAME Загрузить
      Сертификат GARD PX 4
      CAME Загрузить
      Инструкция GARD PX 4
      CAME Загрузить
      Сертификат GARD 12000
      CAME Загрузить
      Инструкция GARD 12000
      CAME Загрузить
      Сертификат Жесткий диск 2.0Tb WD Purple WD20PURZ
      Western Digital Загрузить
      Описание Жесткий диск 2.0Tb WD Purple WD20PURZ
      Western Digital Загрузить
      (ENG) Паспорт безопасности материала HRL 12-65 Х
      Delta Загрузить
      Декларация о соответствии HRL 12-65 Х
      Delta Загрузить
      Руководство по эксплуатации HRL 12-65 Х
      Delta Загрузить
      Описание HRL 12-65 Х
      Delta Загрузить
      Руководство по эксплуатации HRL 12-75 Х
      Delta Загрузить
      Декларация о соответствии HRL 12-75 Х
      Delta Загрузить
      Описание HRL 12-75 Х
      Delta Загрузить
      (ENG) Паспорт безопасности материала HRL 12-75 Х
      Delta Загрузить
      (ENG) Паспорт безопасности вещества HRL 12-80 Х
      Delta Загрузить
      Руководство по эксплуатации HRL 12-80 Х
      Delta Загрузить
      Декларация о соответствии HRL 12-80 Х
      Delta Загрузить
      Описание HRL 12-80 Х
      Delta Загрузить
      (ENG) Паспорт безопасности материала HRL 12-90 Х
      Delta Загрузить
      Руководство по эксплуатации HRL 12-90 Х
      Delta Загрузить
      Декларация о соответствии HRL 12-90 Х
      Delta Загрузить
      Описание HRL 12-90 Х
      Delta Загрузить
      Руководство по эксплуатации HRL 12-100 Х
      Delta Загрузить
      Декларация о соответствии HRL 12-100 Х
      Delta Загрузить
      Описание HRL 12-100 Х
      Delta Загрузить
      (ENG) Паспорт безопасности материала HRL 12-100 Х
      Delta Загрузить
      Паспорт DH-PFB204W
      Dahua Загрузить
      (ENG) Паспорт безопасности материала HRL 12-120 Х
      Delta Загрузить
      Руководство по эксплуатации HRL 12-120 Х
      Delta Загрузить
      Декларация о соответствии HRL 12-120 Х
      Delta Загрузить
      Описание HRL 12-120 Х
      Delta Загрузить
      Руководство по эксплуатации HRL 12-140 Х
      Delta Загрузить
      Декларация о соответствии HRL 12-140 Х
      Delta Загрузить
      Описание HRL 12-140 Х
      Delta Загрузить
      1 ... 523 524 525 526 527 ... 607

      Этот сайт использует файлы "cookie" с целью персонализации сервисов и повышения удобства пользования вэб-сайтом. Если Вы не хотите, чтобы Ваши пользовательские данные обрабатывались, пожалуйста, ограничьте их использование в своём браузере.

      Каталог
      Монтаж оборудования
      Акции
      Прайсы
      Бренды
      Подобрать комплект
      Отправить ТЗ
      Компания "Амиком"
      Новости
      Наши клиенты
      Вакансии
      Контакты
      Стать партнёром
      О компании
      Полезная информация
      Документация
      Возврат и обмен
      Доставка
      Гарантия
      Политика конфиденциальности
      Карта сайта
      Глоссарий
      Согласие на обработку персональных данных
      Подписаться на рассылку
      +7 495 120 06 86
      sale@ami-com.ru
      Москва, площадь Журавлева, д. 2, стр.2
      Присоединяйтесь к нам в социальных сетях!
      • Telegram
      • Вконтакте
      • VK Видео
      • Rutube
      • Яндекс.Дзен
      Обращаем Ваше внимание, что вся информация, размещенная на данном интернет-сайте, носит информационный характер и не является публичной офертой, определяемой положениями Статьи 437 (2) ГК РФ.
      2006-2026 © Амиком. Системы безопасности
      Каталог
      По всему сайту
      По каталогу